

Le mécanisme 65181 est mécanisme de la Fabrique d’Horloges d’Orel pour horloge électromécanique à 4 rubis, avec une trotteuse centrale.
Précision de plus ou moins 1,5 seconde par jour
Il peut fonctionner un an avec une pile 373 d’1,5v.
Dimension: 5,8 x 5,8 cm et 1,23 cm de haut
Le 65181 est basé sur le Yantar 59186. Ce nouveau mouvement était plus précis.
Les deux mouvements ont été produits en parallèle et ont été installés dans un grand nombre de modèles d’horloges différents, et pas seulement à la Fabrique d’Orel.
La Fabrique d’Horloges de Serdobsk a commencé la production d’horloge avec des 65181 produit par elle à partir de 1975-1976. La Fabrique horlogère d’Erevan a aussi produit des pendules équipées du 6518 (par exemple les Sevani 65196).



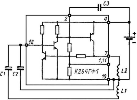
L’unité électronique est montée sur un support en plastique, est très simple : l’inducteur est un électro-aimant. Deux condensateurs électrolytiques K50-6, l’un pour 50 uF 6 volts, l’autre pour 10 uF pour 10 volts. Dans le cas de cet exemplaire, ils ont tous deux ont été fabriqués en 1975 au Dipol PO, la ville de Kamo, RSS d’Arménie. Le microcircuit K264GF1 est en fait un micro-ensemble composé de trois transistors et de cinq résistances – il s’agit d’un générateur de transistors. Le condensateur est de type KLS.


