La fabrique « Azon » (Завод Азон) de Bakou (RSS Azerbaidjan) a été fondée en 1974 sur la base du Bureau de Conception Spéciale « Technique des Microcircuits » de Bakou ( Бакинского Специального Конструкторского Бюро «Микросхемотехника» ), qui était subordonné au Ministère de l’industrie électronique de l’URSS.
Elle avait (et a toujours) une base technologique qui permet le cycle de production complet des circuits intégrés.







Ce réveil électronique Electronika 9-06 a été produit en 1982 par « Azon »:



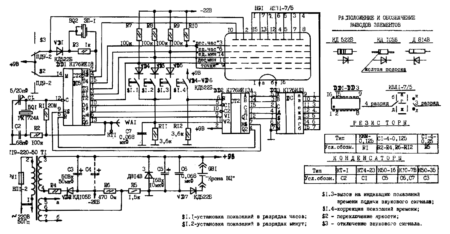
Son circuit est identique à celui de l’Elektronika 2-06 .
En voici le diagramme :


Groupe de travailleurs de la Fabrique « Azon » en vacances dans la réserve naturelle du lac Goygol. La beauté de ce lac qui a inspiré de nombreux poèmes et de nombreuses chansons (1976):

Départ d’un groupe de travailleurs de la Fabrique « Azon » vers Chouchi. Chopuchi, dans le Haut-Karabagh, était une localité où les vacanciers de toute l’URSSvenaient se reposer et profiter des paysages montagneux de toute la région (1984)

Depuis 1993, l’usine a commencé à fonctionner dans le cadre du Comité d’État pour l’ingénierie spéciale et la conversion. Depuis 2006, il fait partie du Ministère de l’industrie de la défense de la République d’Azerbaïdjan.
Elle produit aujourd’hui des circuits intégrés mais aussi des cellules solaires, de l’azote liquide et de l’oxygène, des accessoires pour l’industrie pétrolière et la météorologie, des biens de consommation etc.
